自1999年以来,艺术家团队RYBN.ORG透过思辨性的故事、艺术的形式和实验性规章,纪录算法治理术1 在我们社会中的渗透性。透过多元跨界2 的艺术调查,这个团队致力于观察各种聚集并预示潜在的技术、政治和社会彻底变革的强烈现象与主题(如高频金融市场、项目媒合平台市场、离岸金融市场等等)。
从2005年的 “反资料探勘 ”(Antidatamining)系列作品开始,艺术家团队开始对资料探勘和大数据的发展感兴趣,从而进行运算交易方法的详细解构和珍奇屋*式的展览。这个当代经济结构的分析延伸至2017年,纪录式的叙事作品《大离岸》(The Great Offshore)聚焦于离岸经济的标准化网路,以及出现在优化与资产管理领域的自动化方法。最后,从2015年起,《人机互动》(Human Computers)作品的研究让艺术家团队开始对微型项目媒合平台3 产生兴趣,这是演算法与人工智能训练和学习的地方,被视为一个极度抹杀、外包和剥削的工作实验室。
这三件作品中的每一个都建立于详细的媒体考古学4 调查,透过比较,可以编织出新的历史与技术谱系,并阐明由数字5 、全球和横向联合治理的建立。这些调查涵盖了各种文献:档案、专利、媒体报导、科学期刊、科普书籍、科技产品、电脑程式……。对这些档案的交叉分析可以滋养出艺术性的实验,透过从档案分析到体验艺术作品的过程,有助于了解历代科技创新的背后隐藏了什么:大数据、演算法、人工智能。
这些艺术性的实验使用网路的基础设施和规章(信息中心、云端计算、人机共生协定),并以此为基础重新塑造6和展示资本主义的新控制论精神。
1.1-ADM 8 (2011)

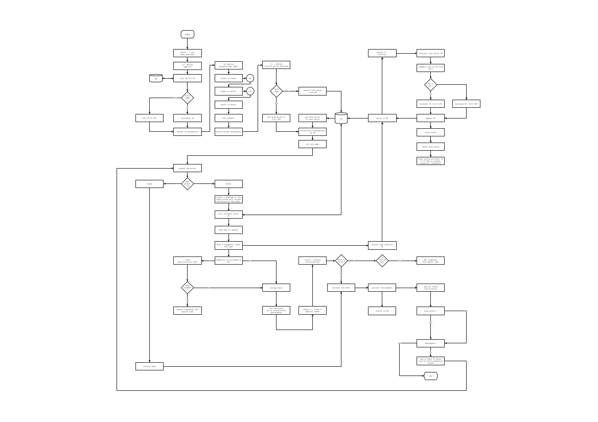
ADM8是2011年9月在金融市场推出的算法交易(黑盒交易)。初期投资一万美金,在美国、欧洲和亚洲市场持续买卖股票。从开始服务以来,ADM8独立完成了2328笔交易,提升8.09%的绩效。其决策引擎以神经网路为基础,以历史价格为参考,只在预测未来价格走势。
这张图中的演算法结构凸显了演算市场的暂时性和高度投机性特色,这个市场的股票有时只有几微秒的时间,而且对演算法的未来学痴迷,演算法不停重复过去的形式以创造未来,并导致黑天鹅效应和闪电式崩盘的出现7。
1.2-ADM X:算法交易畸形秀(2013)

ADM X是一个算法交易的珍奇屋。展览呈现四十多个差点在市场上造成问题的交易演算法实例:闪崩、集体冻结行为、针对性与协同攻击等等。每个实例都是从文献研究中重建的。展览按时间先后呈现,提供一个穿越金融市场传奇之旅,并点出在电脑与市场网路化影响下,交易方式改变的重要性。有些在珍奇屋里展出的演算法模式已经由艺术团队重新设计过,并放到一个虚拟市场中使用,以观察如何运作。
1.3 – ADM XI (2015)
延续先前算法交易的实验并结束《反资料探勘》系列作品,ADM XI向其他艺术家开启一个实验场域,让他们彼此竞争更奇怪和特别的演算法,试著最后在市场上传播不可逆转的混乱。
占星、探地术*1、数祕术*2交易和其他预测方法已经由艺术家b01、Femke Herregraven、Brendan Howell、Martin Howse、Nicolas Montgermont、Horia Cosmin Samoila、Antoine Schmitt、Marc Swynghedauw和 Suzanne Treister在金融市场上实现和利用。

2.1 – AAI Chess (2018)

AAI西洋棋赛是一件在AMAZON MTurk接案媒合平台上重现1777年土耳其行棋傀儡*的作品。被招募来训练演算法的工作者会因为参加国际象棋的棋局而获得酬劳。他们的工作都是一些零碎的任务,而AAI西洋棋的演算法根据棋局过程产生的信息来设定工作者 “工资 ”。
“工资 ”通常多数情况是呈现下降的趋势,追随接案媒合平台上的一般趋势,此外,平台上有严格的限制、监控与考核制度,使工作者没有任何破坏系统的组织或要求,并长久获得利益。在接受演算法提出的任务后,工作者无法看到他们所参与的工作全貌,也不知道他们工作间的关系,工作者永远在完善一个针对他们所设计的系统。
以调查形式呈现的作品《大离岸》中的Algoffshore系列在自动系统中提出了一个优化金融资产管理的投机演算模式。每个演算模式是一个杜撰的故事,如同一件纪录作品,建立于复杂的财税组合和自动系统专利的文献交叉分析。每个模型同时也是经过相关部门专业人员审核的潜在可行系统。
3.1 – Algoffshore 1 (2017)

Algoffshore1模式:避税计划生成器,仔细分析卢森堡洩密事件8的相关部门财税公告后,描述一个离岸金融组合的自动过程,这个过程依靠个人利益力量的立法可塑性。这里,透过权力转移到非实体化与自动化过程,可以观察算法治理术。这些非实体化与自动化过程促进了新的治理形式的出现,这些新的治理形式从私营企业出现,再蔓延到公家机构的核心。这些新的治理形式反过来又产生一个全球治理术,用美国社会学家班杰明‧布拉顿(Benjamin Bratton)的话说,我们可以定义为一个偶然的巨型结构9 ,或控制论的怪物。
3.2−Algoffshore 2:以艺术进行税务优化 (2018)

Algoffshore 2 : 《以艺术进行税务优化》的主题是将艺术作品当作金融资产,艺术市场的变化以及这个市场特定的税务优化方法,由法规调节。这个演算模式也研究了艺术品储存的不同基础设施,与产权交易网路结合,因此艺术品储存构成了当今的艺术市场,例如可免征关税的自由港。这个模式已经在2018年的巴塞尔艺术展上经过业界专业人士的审核。
3.3− Algoffshore 4:加密洗钱机 (2020)

Algoffshore 4:《加密洗钱机》探索区块链和加密货币在逃漏税和洗钱在国际机制中的新角色。从警方、法院和相关机构的资料中,这个模式试图将这些技术具体的制度化,在最好的离岸银行中兴起,以达到重建透明和可靠的理想形象,跟卢森堡、马尔他或瑞士这些不透明的逃漏税方式不同。
近期,一些学术和艺术研究表明,演算法并非完全中立。演算法充满偏差10 ,这些偏差来自设计阶段(演算法重现其设计者的偏差)以及所谓的训练和学习阶段。然而,仅关注这些偏见仅可能表明简单修正和调整可以使演算法更好操做,更符合道德规范也更公平11 。但从更严格的角度来看,应包含技术系统的深度性质、考虑演算法产生、流通和使用的所有条件。这些对演算法存在模式感兴趣的问题12 ,太常由专家主导及演算法本身的复杂性与技术性,让演算法与一般大众相距甚远。这种疏离导至整个社会的关系紧张,研究人员丹·麦克奎廉(Dan McQuillan)用演算法异常状态的概念来总结当前的紧张局势13。
艺术团队RYBN.ORG的演算考古作品提出了这种紧张状态的经验:透过我们无法靠近的深刻陌生感的领域与科技(作品ADM8微秒的金融市场),透过疯狂机器和离岸金融治理模式所造成的晕眩感(作品Algoffshores系列),或透过身体的经验在技术系统里工作(作品《人机互动》)。
这些算法治理术实验室的不同探索,为我们提供了亲身体验的机会,这也是理性批判的集体创作的前提。
译自本刊法文版原文《LE NOUVEL ESPRIT CYBERNÉTIQUE DU CAPITALISME》
1 安托瓦内特・鲁夫罗伊(Antoinette Rouvroy)与托马斯・伯恩斯(Thomas Berns)“Gouvernementalité algorithmique et perspectives d’émancipation. Le disparate comme condition d’individuation par la relation ?” 2013, Réseaux n°177.
2 布莱恩・荷姆斯(Brian Holmes)“L’extra-disciplinaire, vers une nouvelle critique institutionnelle,” Multitudes, 2007
3 安东尼奥・卡西里(Antonio Casilli)“En attendant les robots”, Ed. Seuil, 2019
4 最近翻译成法文的弗里德里希・奇特勒(Friedrich Kittler)作品有《留声机、电影、打字机》(1999);朱西・帕里卡(Jussi Parikka)的《什么是媒体考古学?》(UGA,2018);或维莱姆・弗瑟(Vilem Flusser)的《摄影哲学》(1984)。
5 阿兰・苏皮特(Alain Supiot) “La gouvernance par les nombres” Ed. Fayard, 2015; Cours au collège de France 2012/2013, “Du gouvernement par les lois à la gouvernance par les nombres,” 2012, and “Les figures de l’allégeance,” 2013.
6 源于宫崎慎太郎在Necsus杂志2020年二月号发表的文章“人工重建、智能演算驱动作为普通主义媒体实践”。
7 参见贝诺瓦・曼德布洛特(Benoit Mandelbrot)与理查德・哈德森(Richard Hudson)《市场的分形方法:风险,损失和致胜》(Odile Jacob,2009);纳西姆・尼可拉斯・塔雷伯(Nassim Nicholas Taieb)《黑天鹅效应》(2009);埃里克・汉萨德(Eric Hunsader)等人“Financial Black Swans Driven by Ultrafast Machine Ecology,” 《SSRN》电子期刊,2012年2月。
8 Lux Leaks, ICIJ.
9 本杰明・布拉顿(Benjamin Bratton),《堆叠:在软件与主权之上》,麻省理工学院出版社,2015年。
10 关于这个主题,请参见以下作者的著作:凯特・克劳福德(Kate Crawford) “The Hidden Biases of Big Data,” 哈佛商業評論,2013;丹娜・博伊德(Danna Boyd)“Undoing the Neutrality of Big Data,” 佛羅里達法律期刊第67期,2016以及 “Constant, cqrrelations,” 2015/2016。
11 参见有关AI公平性的讨论,例如“Fair AI: How to Detect and Remove Bias from Financial Services AI Models”; ;或完美说明解答趋势的“Design AI so that it’s fair,”
12 这里的存在方式参考吉尔伯特・西蒙登(Gilbert Simondon)的《科技物件的存在模式》(1958年)一书,与布鲁诺・拉图尔(Bruno Latour)的《存在模式的研究:现代人类学》,法国发现出版社(2012年)。
13 丹・麦奎拉(Dan McQuillan “Algorithmic states of exception,” 2015。
*译注
1 珍奇屋:从文艺复兴时期开始,欧洲收藏家用于陈列珍稀藏品的屋子,也是博物馆的前身。
2 探地术是一种类似风水的实践术,在非洲以及文艺复兴时期的欧洲非常流行。
3 数祕术是指物象化成数字的占卜,像用姓名笔画、生日等数字占卜。
1999年成立于巴黎的艺术、实验与独立研究平台。这个艺术团队採用“超学科”的研究方法,研究复杂且深奥的现象与系统运作方式——高频交易演算法、离岸经济结构、金融市场结构、卡巴拉解释学、通信网路管理协议、电脑病毒等等。在这些调查基础上,RYBN.ORG创作出艺术装置,并超越艺术领域,从感染与入侵的过程,整合这些物体能够产生特殊共鸣的环境与地域,像社交网路、金融市场、专利、无线电频谱等等。
1999年成立于巴黎的艺术、实验与独立研究平台。这个艺术团队採用“超学科”的研究方法,研究复杂且深奥的现象与系统运作方式——高频交易演算法、离岸经济结构、金融市场结构、卡巴拉解释学、通信网路管理协议、电脑病毒等等。在这些调查基础上,RYBN.ORG创作出艺术装置,并超越艺术领域,从感染与入侵的过程,整合这些物体能够产生特殊共鸣的环境与地域,像社交网路、金融市场、专利、无线电频谱等等。